设为首页
收藏本站
搜索
热搜:
迈瑞
磁共振
东软
空气消毒机
飞利浦c型臂
胎儿
飞利浦
柯达dr维修
50ma
床
高频电刀
华玺输液泵
冷光源
加速器
招标预算
西门子
飞利浦C型臂
胎心
东芝彩超
飞利浦M3046
迈瑞生化
本版
用户
登陆
注册
首页
广播
Follow
群组
Group
日志
Blog
相册
Album
分享
Share
论坛
BBS
快速发布
个人中心
今日签到
私信列表
消息中心
搜索全站
扫码关注官方微信
扫码下载APP
返回顶部
问题互助平台
论坛积分体系说明
|
用户须知
本论坛版主工作制度(讨论稿)
第三方维修公司汇总,欢迎补充
技术精湛的工程师加入
|
新人必读帖
2012年版主招募中,欢迎加入
等待验证会员请讲
|
医工币充值说明
论坛广告位列表及报价
我来说说“医学工程在线”的定位
论坛获取金币的方法总结
大文件上传方法图解说明
医学工程在线论坛评分细则
空位待租,可链接到指定网址
医学工程在线
›
技术讨论二区(影像)
›
超声设备
›
麦迪逊88P B超机电路图
返回列表
[维修案例解析]
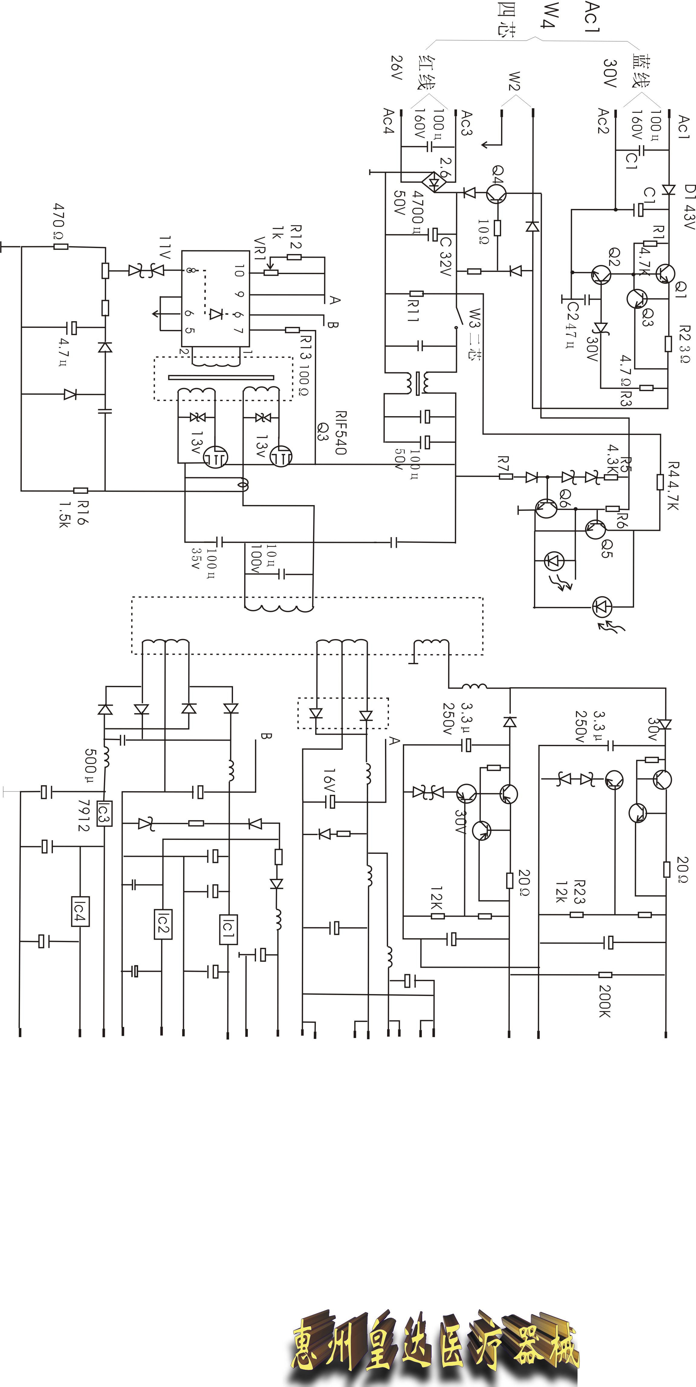
麦迪逊88P B超机电路图
0
回复
2940
查看
[复制链接]
gumuqingfeng
当前离线
积分
498
IP卡
狗仔卡
gumuqingfeng
已绑定手机
gumuqingfeng
显示全部楼层
发表于 2010-10-26 09:15:49
|
阅读模式
回复
使用道具
举报
提升卡
置顶卡
沉默卡
喧嚣卡
变色卡
显身卡
发布主题
返回列表
高级模式
B
Color
Image
Link
Quote
Code
Smilies
您需要登录后才可以回帖
登录
|
注册
本版积分规则
发表回复
回帖并转播
回帖后跳转到最后一页
浏览过的版块
普放设备
返回顶部
返回列表