欢迎您,请 登录 或 注册

论坛积分体系说明|用户须知
本论坛版主工作制度(讨论稿)
第三方维修公司汇总,欢迎补充
技术精湛的工程师加入|新人必读帖
2012年版主招募中,欢迎加入
等待验证会员请讲|医工币充值说明
论坛广告位列表及报价
我来说说“医学工程在线”的定位
论坛获取金币的方法总结
大文件上传方法图解说明
医学工程在线论坛评分细则
空位待租,可链接到指定网址
查看: 9798|回复: 24

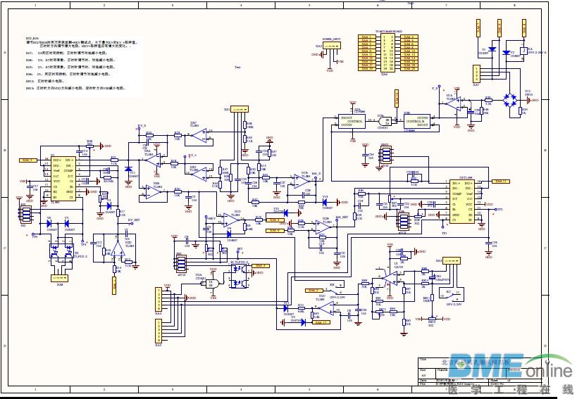
[维修经验分享] 北京海恩康乳腺机ADJUST板电路图(自己画的)

  [复制链接]
已绑定手机
发表于 2018-1-25 17:47:22 | 显示全部楼层 |阅读模式
特此奉上自己画的海恩康乳腺机高压发生器驱动板电路图。

未标题-2.jpg
新建位图图像.jpg

x RAY.pdf

85.69 KB, 下载次数: 127, 下载积分: 金币 -1

评分

3

查看全部评分

发表于 2019-2-28 01:08:11 | 显示全部楼层
厉害了我的哥
回复 支持 0 反对 1

使用道具 举报

已绑定手机
发表于 2018-1-25 20:16:56 来自手机 | 显示全部楼层
厉害了word哥
已绑定手机
 楼主| 发表于 2018-1-25 20:40:23 | 显示全部楼层
只是传了些较简单的图纸,非常感谢版主的理解和支持!
发表于 2018-1-25 22:28:17 来自手机 | 显示全部楼层
谢谢楼主,我也正在研究海恩康的乳腺机
风云 该用户已被删除
发表于 2018-12-28 10:14:21 来自手机 | 显示全部楼层
海恩康乳腺机报错08/老师什么原因
发表于 2019-1-18 17:42:18 | 显示全部楼层
感谢楼主分享
发表于 2019-3-29 10:03:57 | 显示全部楼层
这是高手中的高手啊
发表于 2019-4-22 07:42:01 | 显示全部楼层
感谢楼主分享

发表回复

您需要登录后才可以回帖 登录 | 注册

本版积分规则

扫码打开小程序

扫码安装APP

快速回复 返回顶部 返回列表