返回顶部
论坛积分体系说明|用户须知
本论坛版主工作制度(讨论稿)
第三方维修公司汇总,欢迎补充
技术精湛的工程师加入|新人必读帖
2012年版主招募中,欢迎加入
等待验证会员请讲|医工币充值说明
论坛广告位列表及报价
我来说说“医学工程在线”的定位
论坛获取金币的方法总结
大文件上传方法图解说明
医学工程在线论坛评分细则
空位待租,可链接到指定网址

[维修经验分享] B型超声诊断仪电源电路的原理及故障现象

16
回复
7195
查看
  [复制链接]
古卧龙 显示全部楼层 发表于 2010-4-8 21:29:21 |阅读模式
电源电路的类型和原理
     便携式B型超声诊断仪的电源电路通常有三种类型:一是变压器隔离降压整流滤波型。这种电源电路一般采用交流220V(50Hz)作为隔离变压器初级电压输入端,经变压器降压后从次级输出几组不同的交流电压,分别通过整流滤波电路得到直流电压,最后通过电压调整三极管(有的用场效应管)或用三端稳压集成块78系列和79系列得到所需要的电压值。该类型电源电路结构简单,电压容易生成,但输入电压使用范围较窄,在输入电压值波动较大时,容易损坏。二是开关电路型。它采用交流220V(50Hz)直接整流滤波得到308V左右的直流电,再通过PWM脉冲宽度调制电路和开关管、开关变压器等元件组成的逆变器在开关变压器的次端产生频率为几十千赫至几百千赫的多组交流低电压,最后分别整流滤波得到相应的直流工作电压,一般在电路中还有电压反馈电路,过压、过流保护电路,使输出电压稳定。这种开关电路型电源最大的优点是输入电压范围宽,直流工作电压波形平坦,但修理较复杂。三是交、直流两用型。该类供电方式有交流供电和蓄电池供电两种方式,在市电供电时,一方面为主机提供工作电压,另一方面为蓄电池充电,在无交流电时采用蓄电池供电。它既适用于医院、家庭,又适用于野外训练以及救护车等应急场所。

故障现象及分析
    如果说仪器设备的CPU或控制部分相当于它的"大脑",则电源部分就像它的"心脏",电流就如"血液"在仪器内部流动。电源部分如果发生故障,则仪器不能正常工作,其现象主要表现在以下几个方面:
   (1)开机无任何显示。这种现象往往是电源保险丝熔断、变压器烧坏、整流桥短路或开关管击穿。
   (2)开机时,电源指示灯亮或有的指示灯一闪一闪,但主机无法工作。出现这种现象一般是开关电源电路类型的电源故障,开关管一般没坏,是开关变压器次级整流滤波电路有部分短路或是电压反馈电路、过流过压保护电路发生故障。比如天津医疗电子仪器厂生产的Scanner400型B超机,其电源部分是开关电源电路,曾在一次检修时发现该机有电源指示(电源指示电压不由开关电源提供),但屏幕无任何显示,经检查是其中一路+5V电压不正常。
   (3)开机正常,过几秒钟自动关机。这种现象如果不是主机板程序丢失或控制部分有问题外,则可能是蓄电池充电不足或蓄电池已损坏,也可能是由交流部分提供的充电电路不正常。
   (4)能开机使用,但图像显示只有一半。这除了探头故障以外往往是电源直流负电压不正常所致。比如,Aloka 210F型B超机,其7909三端稳压块损坏使-9V直流电压丢失,造成图像只显示上半部分的现象。

电路原理及故障分析特例
    电路原理
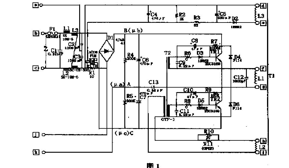
    电路原理图如图1所示

tu1

tu1

      它是交直流两用型交流220V经环形隔离变压器T1降压,通过D1整流和C6滤波得到12V左右的直流电压。然后通过可调式电压调整器LM338稳压(它能提供5A的电流),再经R9、D2、D3与蓄电池并接输出。该电压一是在开机状态直接为主机提供工作电源,并给蓄电池充电;二是关机状态继续为蓄电池充电,而且自动充至规定电压值后进入微电流充电状态。LM338的输出电压表达式为V0= 1.25(1+Re/Rd)V,其中Re为LM338电压调节端(ADJ)对地电阻,Rd为调节端到输出端的程序电阻。本电路根据集成运放LM301输入端虚短路原理,Rd≈R1+R14,调节R14可调整输出电压为合适的值,确保主机正常工作和正确地为蓄电池充电。
    在主机开机工作时,R9因有较大电流流过产生压降,则LM301同相输入端(3脚)电压低于反相输入端(2脚)电压,其输出端(6脚)V6输出低电位。此时N1饱和导通,经R7给微风电扇(METER)供电,风扇启动为LM338散热;N2截止,使Re=R4+ R10= 1.15kW,同时R14已调节为66W,即Rd=216W,则LM338输出电压为V0=7.91V,通过D2、D4为主机提供工作电源。
    在主机关机状态时,电源电路根据蓄电池的电压高低进行全自动充电控制。电路主要由LM301、R4、 R10、 N2等元件组成。当蓄电池电压低于规定值时,R9有电流流过产生压降(蓄电池电压越低,R9产生的压降越大),则LM301同相输入端电压低于反相输入端电压,其输出端V6为低电位,此时状态与主机开机工作一样N1饱和导通,风扇启动,为LM338散热,N2截止,LM338输出电压为V0=7.91V,给蓄电池充电。蓄电池在充电的过程中,电池电压逐渐升高,流过R9的电流也越来越小,在R9两端产生的压降也不断减少,即LM301的3脚电压会逐渐升高。当LM301的3脚电压达到或稍高于2脚电压时,输出端V6为高电位,则N1截止,电机停止转动,N2饱和导通,将R4对地几乎短路,Re约等于R10的值(Re=1KW),则LM338输出电压为V0=7.03V,从而蓄电池处于微电流充放电状态。另外R3和C1在电路中起着慢放电和延长电池寿命的作用。

故障分析
一般故障现象
此类电源常见故障及其处理方法一般有:
(1)变压器T1无电压输出,通常是保险丝FUSE1、FUSE2熔断或变压器损坏。
(2)LM338无电压输出,应检查反馈电阻R1、R4、R10、R14及LM301。如反馈回路正常,则LM338损坏。
(3)开机风扇不转,则重点检查N1、M1和LM301,如果LM301输出为低电位,则是N1或风扇坏。如果输出为高电位,则应怀疑是LM301已坏。
(4)如果LM301工作不正常,应检查电容C2,如C2损坏,LM301没有电容补偿,会引起振荡。
(5)如电池充电损坏,应检查N2。如N2损坏,将一直给蓄电池充电,有可能损坏电池。
特例分析
故障现象是接通220V交流电,FUSE1和FUSE2立即烧断;再试验不用交流电,而用蓄电池工作时,屏显几秒钟后自动关机。根据故障现象可以推断,故障在电源部分。先测量变压器T1的初级电阻为3.3W,怀疑变压器初级局部短路。继续检查整流桥没有击穿,为慎重起见,在断开主机电源后,在图1中的a点用稳压电源输入12V的直流电压,则在LM338的输出端得到7.03V的电压,把蓄电池连接上,风机(METER)立即转动,测量LM338的输出为 7.9V,蓄电池正在被充电,故断定原怀疑是对的认定变压器T1损坏。因一时难以购置同参数的环形变压器,笔者用输入220V、输出18V、功率为100W的环形隔离变压器代换,并把图1中的a、b连线断开,在a、b间串接一个三端稳压块7812,使风扇、LM301等器件工作电压为直流12V,经这样处理后,再开机工作一切正常。

评分

3

查看全部评分

李榛榛 显示全部楼层 发表于 2010-4-9 13:55:06
学习了,文章很实用。
betheone 显示全部楼层 发表于 2011-12-5 15:09:54
好资料啊,真多好东西
sbk 显示全部楼层 发表于 2012-1-6 11:08:57
好资料啊,真多好东西
thowyung 显示全部楼层 发表于 2012-3-23 10:18:53
学习了,文章很有用。
生命之歌 显示全部楼层 发表于 2012-4-15 20:04:02
楼主辛苦了,很实用
已绑定手机
cdj 显示全部楼层 发表于 2012-4-16 08:49:34
不错。多多交流。。。。。。。。。。。。
翅膀翅膀 显示全部楼层 发表于 2012-4-30 22:51:44
不错哦,学习了
追风骑士 显示全部楼层 发表于 2012-5-5 12:42:27
学习了,文章很实用
追风骑士 显示全部楼层 发表于 2012-5-5 12:44:37
学习了,文章很实用。
您需要登录后才可以回帖 登录 | 注册

本版积分规则

医学工程在线 医学工程在线(bmeol.com)创建于2009年2月,是医院设备科、医学工程科及其他医学工程专业人员的交流平台,提供医学工程领域的资讯信息、技术交流、配件供求、人才招聘等综合服务。
  • 官方手机版

  • 微信公众号

  • 商务合作