返回顶部
论坛积分体系说明|用户须知
本论坛版主工作制度(讨论稿)
第三方维修公司汇总,欢迎补充
技术精湛的工程师加入|新人必读帖
2012年版主招募中,欢迎加入
等待验证会员请讲|医工币充值说明
论坛广告位列表及报价
我来说说“医学工程在线”的定位
论坛获取金币的方法总结
大文件上传方法图解说明
医学工程在线论坛评分细则
空位待租,可链接到指定网址

[设备故障求助] 求图纸

8
回复
3887
查看
  [复制链接]
凯鑫科技尹慧 显示全部楼层 发表于 2014-6-15 08:48:06 |阅读模式
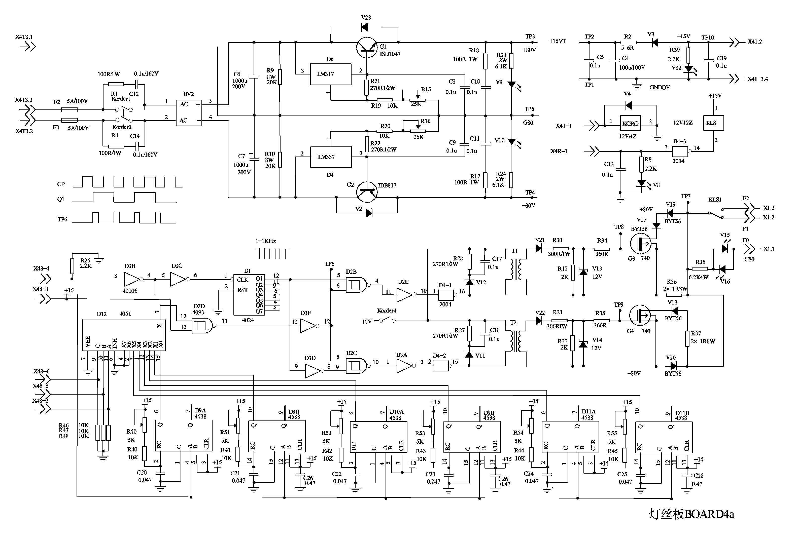
求万东500MA程控灯丝板电路图,电灯供电是±65V那种,灯丝板实物图如下
psb.jpeg
xsq 显示全部楼层 发表于 2014-6-16 12:05:19
主题写成“求万东500MA程控灯丝板电路图,”一目了然。
非常清晰。
灯丝板.jpg
绿绿光 来自手机 显示全部楼层 发表于 2014-6-20 16:05:03
我有这个电路板 qq846262057
xsq 显示全部楼层 发表于 2014-6-20 17:05:32
绿绿光 发表于 2014-6-20 16:05
我有这个电路板 qq846262057

关键至今不见楼主回复!
绿绿光 显示全部楼层 发表于 2014-6-20 17:41:21
xsq 发表于 2014-6-20 17:05
关键至今不见楼主回复!

是啊 ,楼主 有主见
xsq 显示全部楼层 发表于 2014-6-20 19:12:20
绿绿光 发表于 2014-6-20 17:41
是啊 ,楼主 有主见

求助帖有网友及时回复并愿意提供帮助,楼主反而?
凯鑫科技尹慧 来自手机 显示全部楼层 发表于 2015-4-9 12:29:43
徐工,板子已经修好,忘了回复,不好意思
xsq 显示全部楼层 发表于 2015-4-10 21:30:19
凯鑫科技尹慧 发表于 2015-4-9 12:29
徐工,板子已经修好,忘了回复,不好意思

十个月后回复也不迟。
短发 来自手机 显示全部楼层 发表于 2015-4-16 00:45:16
呵呵。            
您需要登录后才可以回帖 登录 | 注册

本版积分规则

医学工程在线 医学工程在线(bmeol.com)创建于2009年2月,是医院设备科、医学工程科及其他医学工程专业人员的交流平台,提供医学工程领域的资讯信息、技术交流、配件供求、人才招聘等综合服务。
  • 官方手机版

  • 微信公众号

  • 商务合作