返回顶部
论坛积分体系说明|用户须知
本论坛版主工作制度(讨论稿)
第三方维修公司汇总,欢迎补充
技术精湛的工程师加入|新人必读帖
2012年版主招募中,欢迎加入
等待验证会员请讲|医工币充值说明
论坛广告位列表及报价
我来说说“医学工程在线”的定位
论坛获取金币的方法总结
大文件上传方法图解说明
医学工程在线论坛评分细则
空位待租,可链接到指定网址

飞利浦DR灯丝板维修

24
回复
15403
查看
  [复制链接]
已绑定手机
kong69072 显示全部楼层 发表于 2012-7-11 12:41:26 |阅读模式
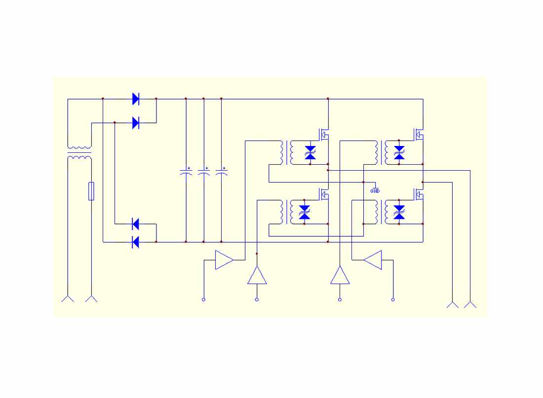
接修一块飞利浦DR的灯丝板,比较简单。先把功率推动部分草图画出,如图:

就是一个全桥驱动电路。经查,有2个功率管击穿,2个整流管击穿,一个稳压管击穿。更换后机器正常。提醒各位发现有功率元件坏的时候需要把周围相关元件都查一遍,怀疑的统统换掉,以绝后患。
已绑定手机
kong69072 显示全部楼层 发表于 2012-7-11 12:42:29
逆变.jpg

dawangxuewen 显示全部楼层 发表于 2012-7-12 07:58:10
通常是由于控制信号某个环节出现问题导致驱动桥路出现上下臂管同时导通
mdr 显示全部楼层 发表于 2012-7-12 09:58:01
好经验!顶
cyp 显示全部楼层 发表于 2012-7-12 15:22:03
好经验!顶
xmydoc 显示全部楼层 发表于 2012-7-14 17:33:02
路过。。。。。顶
22656758 显示全部楼层 发表于 2012-7-17 10:15:02
顶顶   高手
素茶一杯 显示全部楼层 发表于 2012-7-20 13:34:32
好经验!顶
小城之春 显示全部楼层 发表于 2012-7-21 00:20:59
很好的经验 ~~
S-37 显示全部楼层 发表于 2012-11-8 15:15:36
高手,学习了
您需要登录后才可以回帖 登录 | 注册

本版积分规则

医学工程在线 医学工程在线(bmeol.com)创建于2009年2月,是医院设备科、医学工程科及其他医学工程专业人员的交流平台,提供医学工程领域的资讯信息、技术交流、配件供求、人才招聘等综合服务。
  • 官方手机版

  • 微信公众号

  • 商务合作