返回顶部
论坛积分体系说明|用户须知
本论坛版主工作制度(讨论稿)
第三方维修公司汇总,欢迎补充
技术精湛的工程师加入|新人必读帖
2012年版主招募中,欢迎加入
等待验证会员请讲|医工币充值说明
论坛广告位列表及报价
我来说说“医学工程在线”的定位
论坛获取金币的方法总结
大文件上传方法图解说明
医学工程在线论坛评分细则
空位待租,可链接到指定网址

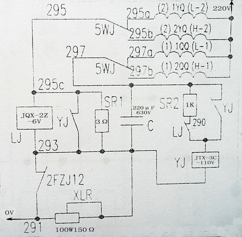
[维修案例解析] 上海医疗器械厂X75C型旋转阳极电路电阻SR2出厂装错故障:

7
回复
3675
查看
  [复制链接]
xsq 显示全部楼层 发表于 2012-1-27 13:28:18 |阅读模式
λ.jpg



一台上海医疗器械厂X75C型型旋转阳极启动电路电阻SR2经检查发现出厂时就错装成3Ω电阻(RX21-8W-3Ω)。因电阻SR1(SR2RX21-8W-3Ω)和SR2(RX21-8W-1KΩ)外形一样,在同一组件上,2个电阻安装位置又紧挨着,不注意就易装错(SR1没装错)。检查和试机时也不一定发现。
使用中会有什么严重后果呢?
由于旋转阳极电压继电器YJ的降压电阻SR2应为1KΩ,错装为3Ω,使用一段时间后就将继电器YJ(工作电压110V)烧毁,触点粘连;又使旋转阳极定子启动线圈QQ烧短路(测电阻才有2Ω)。
该机器又不常用,等查出原因时,已过了保修期(透视诊断床很少用点片)。。厂家疏忽,不认真,造成用户多大的损失(要修复至少3-5千元)!



器械维修 显示全部楼层 发表于 2012-1-27 14:43:59
也不错·给我们维修人员留点工时
已绑定手机
医修医疗 显示全部楼层 发表于 2012-1-31 10:00:31
医康美联
qq:2353286634
万峰 显示全部楼层 发表于 2012-2-8 19:40:42
可以看出国人工作责任心是不强的
xsq 显示全部楼层 发表于 2012-2-8 19:42:31
万峰 发表于 2012-2-8 19:40
可以看出国人工作责任心是不强的

部分厂家、部分人。
管理没到位。
万峰 显示全部楼层 发表于 2012-2-8 19:44:21
是的,部分,部分
xsq 显示全部楼层 发表于 2012-2-8 20:03:58
万峰 发表于 2012-2-8 19:44
是的,部分,部分

厂家千分之一不合格,到用户手里就是100%不合格!
xsq 显示全部楼层 发表于 2012-2-10 08:17:47
donfaye 发表于 2012-2-9 19:46
谢谢楼主,学习了

不用谢,供大家参考。
拍片旋转阳极不转检查才发现,否则谁知呀!
您需要登录后才可以回帖 登录 | 注册

本版积分规则

医学工程在线 医学工程在线(bmeol.com)创建于2009年2月,是医院设备科、医学工程科及其他医学工程专业人员的交流平台,提供医学工程领域的资讯信息、技术交流、配件供求、人才招聘等综合服务。
  • 官方手机版

  • 微信公众号

  • 商务合作