返回顶部
论坛积分体系说明|用户须知
本论坛版主工作制度(讨论稿)
第三方维修公司汇总,欢迎补充
技术精湛的工程师加入|新人必读帖
2012年版主招募中,欢迎加入
等待验证会员请讲|医工币充值说明
论坛广告位列表及报价
我来说说“医学工程在线”的定位
论坛获取金币的方法总结
大文件上传方法图解说明
医学工程在线论坛评分细则
空位待租,可链接到指定网址

[设备故障求助] 上海三叶G501 爆光 时间缩短问题

3
回复
3292
查看
  [复制链接]
lyh 显示全部楼层 发表于 2011-7-28 10:53:34 |阅读模式
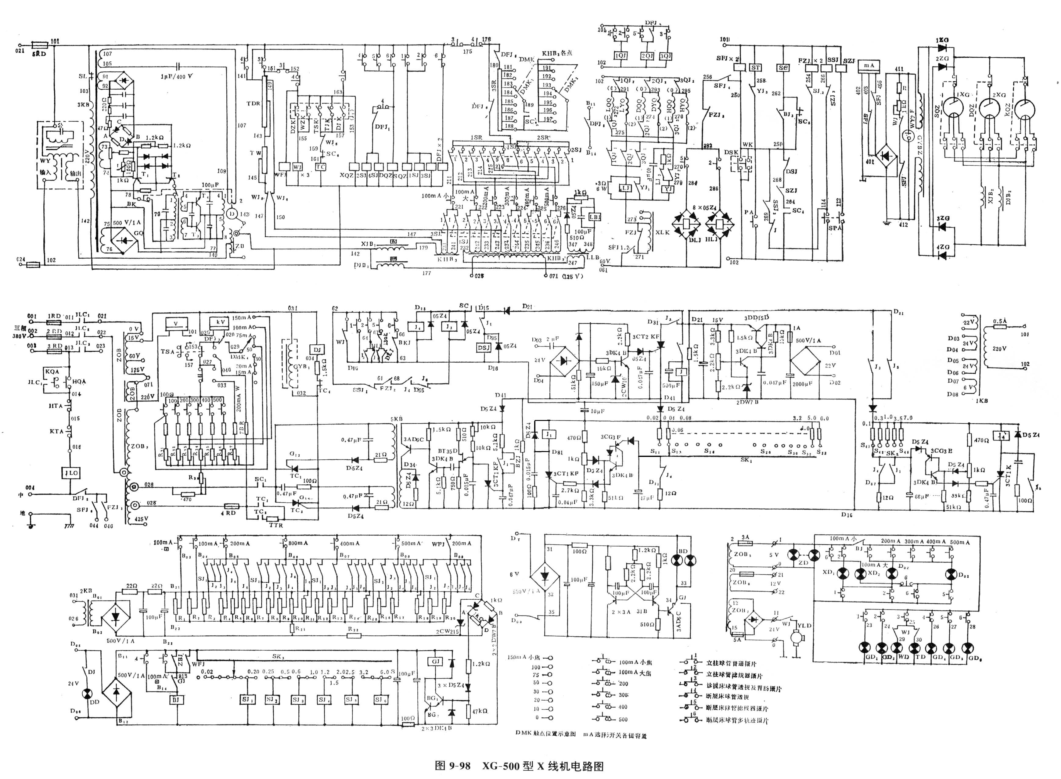
上海三叶G501 爆光 时间缩短  拔下限时板  一会再插上就能正常爆光一两次(爆光时间大致正常)。开始怀疑J4常闭接触不良 经查完好,47uf电容和电阻更换后故障依旧 XG501电路图.jpg
请各位的高手给看看 谢谢
lby1228 显示全部楼层 发表于 2013-3-8 11:22:42
J4触点坏,或者连接J4的电阻坏。在限时器电路中曝光结束J4常闭触点把电容的电荷泄放干净,不然就会出现曝光时间第一次准确,后来就时间缩短的故障。
xsq 显示全部楼层 发表于 2013-3-8 20:06:18
lby1228 发表于 2013-3-8 11:22
J4触点坏,或者连接J4的电阻坏。在限时器电路中曝光结束J4常闭触点把电容的电荷泄放干净,不然就会出现曝光 ...

“J4触点坏,或者连接J4的电阻12Ω坏。”
每爆光1次,人为短路47uf电容1次,即可确诊。
xsq 显示全部楼层 发表于 2013-3-8 20:22:45
首先谢谢您提供图。
其次“ 爆光 时间缩短”,是各时间档都短吗?请您特别试下1.2秒-3.5秒共6档,也短或是这6档就感觉为1个时间档?
您需要登录后才可以回帖 登录 | 注册

本版积分规则

医学工程在线 医学工程在线(bmeol.com)创建于2009年2月,是医院设备科、医学工程科及其他医学工程专业人员的交流平台,提供医学工程领域的资讯信息、技术交流、配件供求、人才招聘等综合服务。
  • 官方手机版

  • 微信公众号

  • 商务合作